FAQ - 霍尔效应芯片

回答

磁通密度在Bop以上时为L,Brp以下为H,Bop和Brp之间不定。

回答

根据不同规格有所差异,大致在5μs以下。

回答

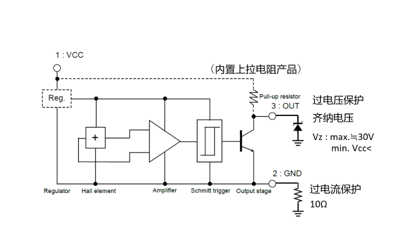
EW系列与EZ系列的霍尔IC未内置过电压或过电流的保护电路,建议根据实际应用需求考虑外接保护电路。以下为参考示例。

当输出端子存在过电压或过电流风险时,建议采用齐纳二极管实施过电压保护措施,同时配合限流电阻来实现过电流保护。(参见图 1) 

当电源端子可能发生反向连接或过电压时,建议采用反接保护二极管与齐纳二极管进行保护。(参见图 2) 

图 1 输出端过电气应力措施 图 1 输出端过电气应力措施
图 2 电源端子周边的过电气应力对策 图 2 电源端子周边的过电气应力对策