Charging station

Current Sensors

On this page, we will introduce the three-phase VIENNA PFC circuit as an example of a PFC circuit within the power module of the quick charging station. In addition, we will propose AKM's recommended products for current sensing in three-phase VIENNA PFC circuits, along with their advantages.

Charging Station (Charging Stand)

About 20% of CO2 gas emissions, which are the cause of global warming, come from traffic and transportation of which passenger cars are the largest source of emissions. The International Energy Agency announced that in order to achieve virtually zero CO2 emissions by 2050, "Internal combustion engine vehicles (ICE-powered vehicles) that run on fuel such as gasoline must be discontinued by 2035".

As a result, countries around the world have begun to tighten environmental regulations and have started to give preferential treatment to EVs, thereby rapidly increasing the spread of electric vehicles. China, in particular, is the world's largest market for electric vehicles, accounting for half of the world's total annual sales of electric vehicles.

Charging facilities are essential to meet the increasing demand for electric vehicles.
Just as there are petrol stations in cities, charging stations for electric vehicles are being built everywhere. In 2020, the number of EV charging infrastructures worldwide was 2.5 million in public infrastructure alone. The number is expected to reach nearly 10 million units by 2025. You may appreciate that these technologies are spreading rapidly.

Charging stations in cities use a DC charging method called quick charging. The quick charging station contains several switching power supply modules, which act like a heart that transmits the energy. This power supply module has a built-in PFC circuit.

PFC is an abbreviation for Power Factor Correction. In a typical switching power supply, harmonic currents are generated in the input current, thereby reducing the power factor. In recent years, harmonic current suppression regulations have been established to suppress this harmonic current and improve the power factor, and PFC circuits are required to be built into switching power supplies.

For example, to comply with the current EU standard EN61000-3-2 (based on IEC 61000-3-2), a power factor of 0.9 or higher must be met for all the switching power supplies with output power greater than 75W. The power factor of a switching power supply without a built-in PFC circuit is about 0.65 for single-phase and 0.85 for three-phase. Incorporating a PFC circuit leads to a power factor closer to 1.0. Therefore, neither single-phase nor three-phase switching power supplies can comply with the current harmonic current suppression regulations without the use of a PFC circuit.

Figure 1. Current sensing position of charging station (charging stand) Figure 1. Current sensing position of charging station (charging stand)

Current sensors ideal for three-phase VIENNA PFC circuit

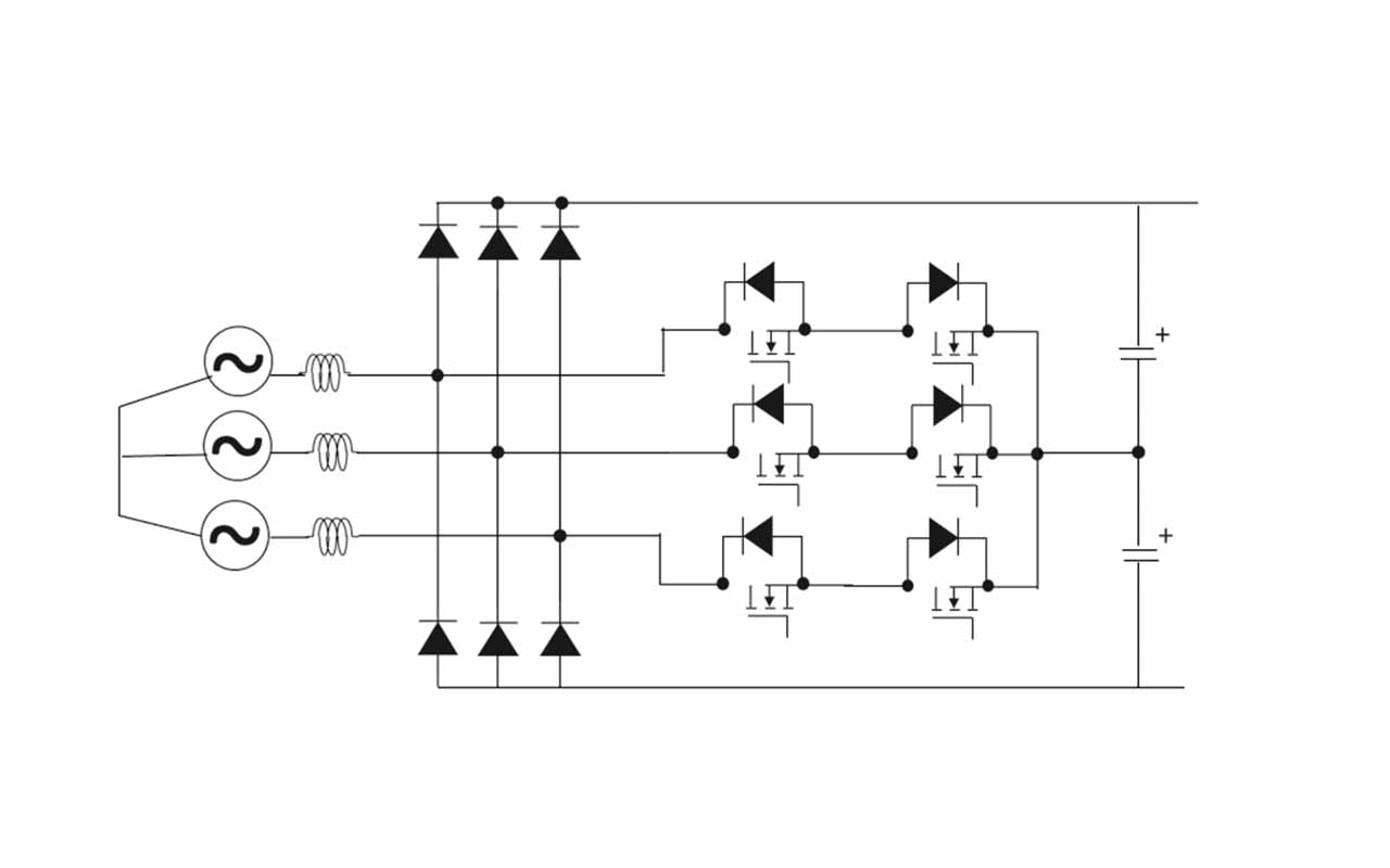
The power supply module of the quick charge station emphasizes efficiency. Therefore, a three-phase VIENNA PFC circuit is often used for the power supply module of quick charge stations to make them more efficient.

Figure 2 shows a circuit diagram of a three-phase VIENNA PFC.

In this three-phase VIENNA PFC circuit, a current sensor is used for switching control. To determine the ON/OFF timing of the switching element, it is necessary to accurately detect the timing of the switching polarity of the input current using a current sensor.

In addition, since the current must be detected on the high-voltage side, high degree of isolation must be provided between the primary and the secondary sides.

Therefore, "current sensors ICs" and "shunt resistor + high isolation amplifiers" are commonly used as current sensing methods.

 

Figure 2. Three-phase VIENNA PFC circuit Figure 2. Three-phase VIENNA PFC circuit

The VIENNA PFC circuit has the following features: high power factor, high efficiency, and miniaturization. However, unless the characteristics of the current sensing method are fully applied, the features of VIENNA PFC circuitry cannot be utilized effectively.

 

・High power factor

If the zero current voltage is not accurate when the current is detected, the ON/OFF timing of the switch will shift. This causes THD (Total Harmonic Distortion) phase lag, and the power factor deteriorates.

→ AKM's current sensors have a small thermal response of zero current output voltage and are highly accurate, enabling the realization of a high powerfactor. 

 

・High efficiency

Energy loss occurs due to the heat generated when current flows through the current sensing unit.

→ AKM's current sensors have a low primary conductor resistance and a low heat generation, thus achieving high efficiency.

 

・Compact size

A large current sensing unit or many peripheral components will restrict miniaturization.

→ AKM's current sensors have a small surface area package and low profile, thereby enabling miniaturization. In addition, they have a high degree of mounting freedom, making it is easy to design a layout.

 

Table 1 below summarizes the features of "AKM's current sensors ICs," "Coreless current sensors from Other Companies," and "Shunt Resistor + high isolation Amplifier."

Table 1. Comparison of current detection methods

Table 1. Comparison of current detection methods

"AKM's current sensor ICs (coreless current sensors) provide as follow.

  • High accuracy
  • Low heat generation
  • Small size
  • Fast response time

 

AKM's current sensor IC (coreless current sensor) has all the characteristics required for PFC circuits in charging stations."

In addition, galvanic isolation in a surface-mounted package enables system downsizing, simplified circuitry, and reduced design effort without compromising system efficiency or safety functions.

Details are described below.

Selection Table

Current 
Sensor 
Type
Package Supply
Voltage
Output
Voltage
Maximum
Primary
Current
Measurement
Range
Bipolar /
Unipolar
Ratiometric/
Non-Ratiometric
Creepage
Clearance
Working
Voltage *
Product 
Name
Product
Series
Part
Status
(V) (V) (Arms) (Apeak) (mm) (Vrms)
Coreless SOP 5.0 5.0 100 ± 115 to ± 225 Bipolar Retiometric ≧ 8.0 1118 CZ375x CZ375 Series MP
60 ± 5.3 to ± 180
CZ370x CZ370 Series
CZ372 Series
MP
0 to 345.2 Unipolar CZ372x 
3.0 50 ± 11.6 to ± 166.6 Bipolar Non-Ratiometric CZ3AGx CZ3A Series MP
3.3 3.3 ± 12.9 to ± 129.1 CZ3A0x